PS: Варифокальный объектив для видеонаблюдения с моторизованным фокусом и зумом 4mp креплением P-Iris CS для формата 1/1.8″, Моторизованный вариофокальный зум-объектив M12
12–40mm F2.1 4mp или 4K P-Iris CS / D19 с моторизованным фокусом и переменным фокусным расстоянием для видеонаблюдения формата 1/1.8" – ACMZ118BP1240ICRCSR1
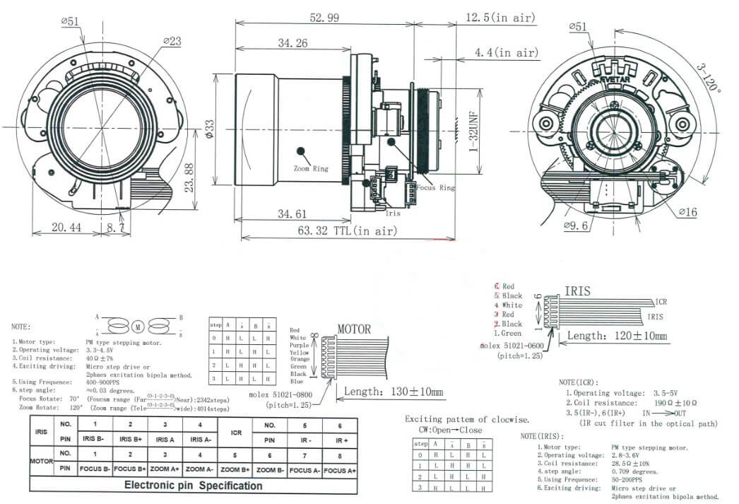
Технические характеристики
| Фокусное расстояние: | 12-40mm | ||
| Датчик: | 1/1.8” CCD/CMOS | ||
| Формат изображения(HxV,D): | 7.15×5.36, 8.93 | ||
| FNo.: | F2.1 | ||
| Телевизионные искажения: | -5.9%W~-0.2%T | ||
| Разрешение: | 4MP or 4K | ||
| Относительная освещенность: | >45% | ||
| Управление диафрагмой: | P-Iris | ||
| Управление увеличением: | Моторизованный | ||
| Управление фокусом: | Моторизованный | ||
| Заднее фокусное расстояние: | 7.29mm~9.08mm(in air) | ||
| Угол зрения: | 1/1.8” | 1/2” | |
| D | 43.3°~14.3° | 38.3°~12.8° | |
| H | 33.9°~11.5° | 30.1°~10.3° | |
| V | 25°~8.6° | 22.3°~7.7° | |
| Эффективный диаметр линзы: | Передний Φ23mm | ||
| Назад Φ9.6mm | |||
| Структура: | 12-10 | ||
| CRA: | 7.6° | ||
| M.O.D.: | 0.6m | ||
| Крепление: | CS mount / Φ19 Крепление | ||
| TTL: | 63.32mm | ||
| Paзмepы: | Φ33×52.99xΦ51mm | ||
| Модель: | ACMZ118BP1240ICRCSR1 | ||




